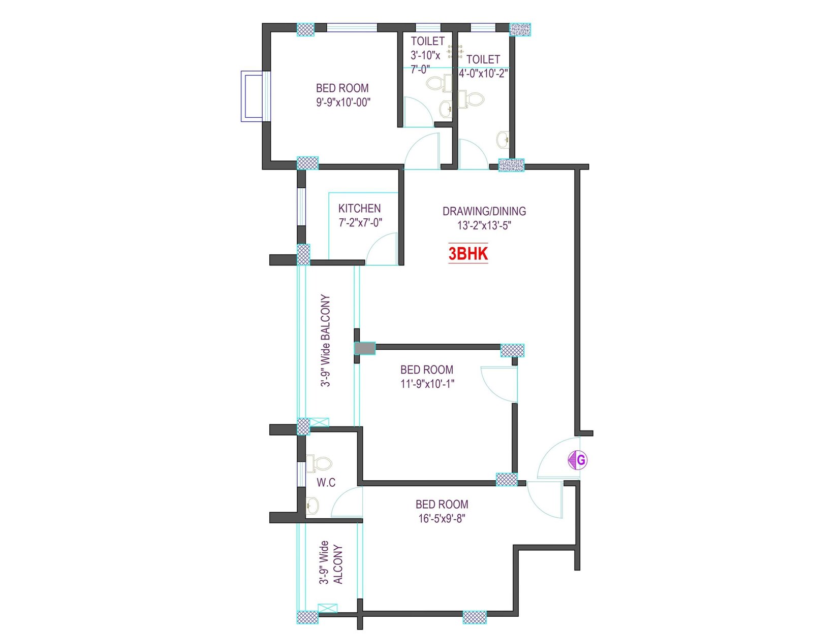
This 3BHK layout with an 803 sq.ft. carpet area offers a well-organized and efficient arrangement, centered around a spacious drawing/dining area measuring 13′-2″ × 13′-5″. The kitchen (7′-2″ × 7′-0″) is positioned conveniently beside the living space and opens toward a 3′-9″ wide balcony, enhancing ventilation and natural light. One bedroom (9′-9″ × 10′-0″) lies near the kitchen and is supported by two adjacent toilets (3′-10″ × 7′-0″ and 4′-0″ × 10′-2″), making this section ideal for practical daily use.
The other two bedrooms are positioned for greater privacy. The mid-sized bedroom (11′-9″ × 10′-1″) sits centrally, offering easy access from the main living area, while the largest bedroom (16′-5″ × 9′-8″) enjoys direct balcony access and is located near the W.C., adding convenience. With thoughtful circulation, adequate natural openings, and well-planned room proportions, this layout provides a comfortable and functional 3BHK home suitable for modern family living.
Acube Infrastructure is a trusted leader in delivering innovative, high-quality real estate and construction solutions tailored to modern living.
Acube Infrastructure

